they are strong hands - punchline - 单曲 - 网易云音乐

相关图片

带娃出门东西多,推荐punchline@pu - 抖音

punchit

a.works原创动画《真夜中punch》新宣传片公布 7月8日开播

结月缘第一首英文原创传说曲诞生了!其名为punch it, punk!

punch a monkey下载_v1.03安卓客户端_mdpda手机网

随机推荐

减龄发型

它强势崛起成为9.7高评分言情小说,《璀璨星辰不如你》甜到发晕

韩志旼不愧是最强童颜! #神仙颜值 #我们的蓝调 #分享 - 抖音

白鹿 #李沁#李一桐 - 抖音

歌唱家张也虽不结婚但不代表没伴侣女人一生不是只有婚姻

王劲松

没有鼻梁,鼻子塌的人是什么体验?

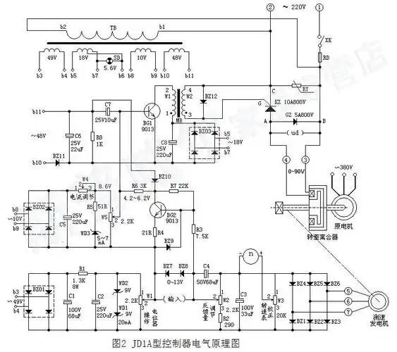
jd1a-40滑差电机调速器 电磁调速电