免费文档 所有分类 工程科技 电子/电路 电动车充电器原理图 第1页 下

相关图片

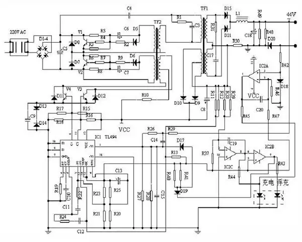
纸上谈兵之手抄72v电瓶车充电器电路

电动车充电器电路图全集

电动车充电器电路图

电动车充电器电路原理图

权威电动车充电器电路图

随机推荐

世纪公园旗袍秀人像照习作 - 美篇

他,他作为最有影响力的港台艺人之一,上世纪九十年代是最火爆的时期

绿色背景图 养眼 微信 绿色背景图片 微信 养眼 - 网络编辑之家

推荐教程很变态但我喜欢4种jk水手服的绘画技巧

夏款亚麻九分裤男萝卜裤韩版时尚哈伦裤棉麻休闲裤宽松小脚裤子男

美国山猫图片_美国山猫高清图片大全_美国山猫图片素材

梅花坑《蔷梅》一漂亮天然石眼 微凸.#肇庆端砚 #手工砚台 - 抖音

《逢入京使》朗读(七年级下)