头像女生微笑 - 燕子图片网,一个充满欢乐的表情包,头像图片乐园

相关图片

【愿你永远拥有孩子般灿烂的笑脸~】《儿童歌曲串烧》——手风琴版

了twitter@shibacoro0521的影片并注解,「早安~用这笑容迎接今天吧!

还记得这张表情包吗?这只灿烂微笑的柴犬走了

我就要笑得越灿烂在微博等社交平台上,张翰的笑容一直是热门表情

2016年7月 5 表情 0个字符评论

随机推荐

动画魔卡少女樱有没有什么好看的全面屏壁纸

蒋勤勤隔空撒娇告白陈建斌,张翰受不了!|蒋勤勤|陈建斌|告白_新浪新闻

阿杜变身"晒儿狂魔" 微博频发与萌娃幸福合照

明星北京豪宅别墅_明星豪宅别墅图片 新闻_明星豪宅别墅图片

啊絮这个人物真的太好了!

工笔画白描---蝴蝶

钢琴 teeth——covered by 5 seconds of summer

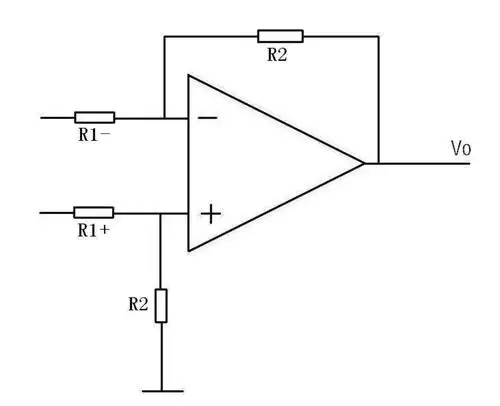
谁知道lm324的放大电路怎么做?