三相异步电机的基本控制电路

相关图片

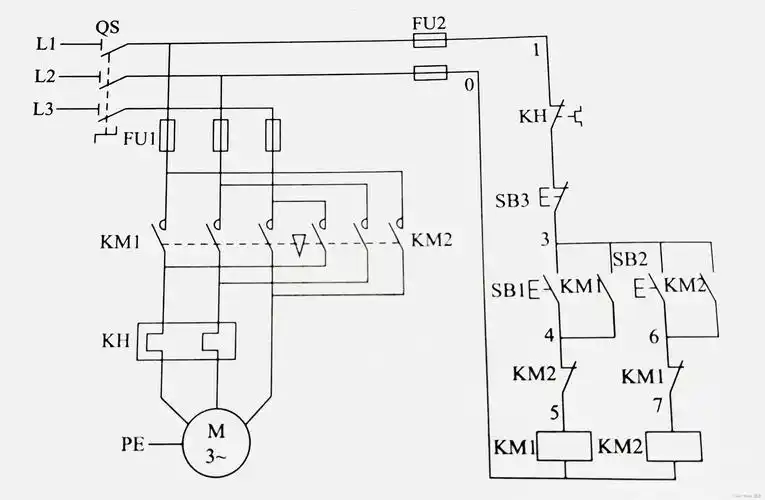
三相异步电机自锁正转控制电路图 - 电子方案资讯_我爱方案网

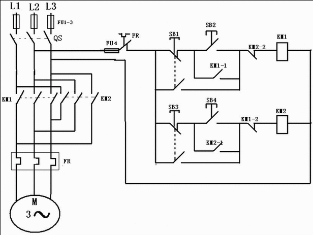
三相异步电动机手动正反转控制电路

drv8301/8302三相无刷电机驱动全解

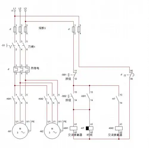
在正反转电路图上用时间继电器控制三相电动机,两个电机一个按sb后

三相电动机点动与长动的正反转控制电路

随机推荐

怕蔗糖,喝简醇##轻松无负担##杨幂简醇品牌代言人##白敬亭简醇品

郭京飞烟熏妆魅惑出境02暗黑冷酷气场十足

民国珍贵彩色老照片:这才是民国初期,老百姓真实的生活百态

传统文化 / 在为老人做寿时,民间有做"九"不做"十",做虚(岁)不做实(岁

wjid:极简素雅,如何打造出超凡脱俗的高级感!

藏青色印花短袖t恤

彩色手绘国潮风古风中国风故宫古建筑国潮元素png素材

潘虹的老公是谁(64岁潘虹老公曝光)