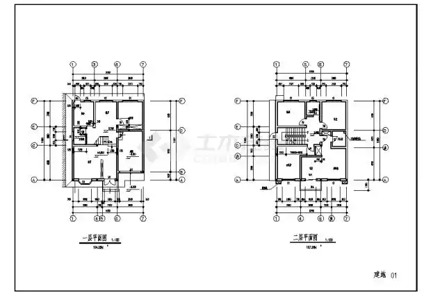
某实用新型别墅住宅楼建筑设计施工cad图纸

相关图片

九层框剪小高层住宅结构施工图- 住宅建筑图纸 - 沐风网

某四层(越层)住宅楼施工图纸- 住宅建筑图纸 - 沐风网

2套家庭别墅建筑设计施工cad图纸

三层农村住宅设计cad施工图纸 - 建筑模型图纸 - 沐风网

内容简介 建筑结构全套施工图:包括基础平面

随机推荐

【出】tfboys易烊千玺大旗全新,尺寸96*144cm,带

小女孩短发波波 俏皮可爱萌力十足_儿童发型 - 美发站

安德鲁·加菲尔德,照片,黑发,演员,胡子壁纸

他178 我158算不算最萌身高差

齐肩发烫发

商品搜索【药聚汇】 网上药品批发-河北药品批发-河北

9:41 来源:全网 hd1 难得一见的故宫全景_图片 hd - 抖音

前81班,后80班黑白一寸相片集