超级治愈笑容甜美的甜妹头像

相关图片

甜美治愈系笑容头像 分享一组用了让人心情愉悦的女生头像~ 侵图

女生头像丨治愈系笑容

小苹果笑哈哈头像

有哪些色调明亮面带笑容的女孩子头像

阳光笑容女头像高清好看的阳光微笑女生头像图片

随机推荐

黎明-leon-如果可以再见你

旋风薯塔培训

4k党旗飘扬动态背景宣誓mp4循环视频下载-编号23840147-党政文化-我图

周冬雨的照片让我想起了黄安的歌曲《万物皆红》,"青春就是一切,你

每日一看防止暴食原相机拍摄马甲线

每天早上自我激励的励志语录图片

161,120斤

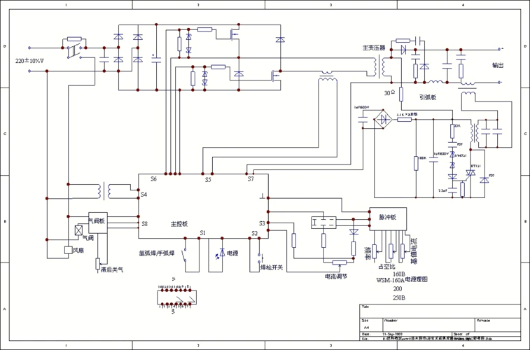
逆变电焊机原理图的讲解