创新创意 正文一,结构组成 (一)基本原则 (1)城市 沥青路面道路结构

相关图片

沥青路面结构示意图.png

2021年一级建造师市政工程考点沥青路面结构

沥青路面结构设计

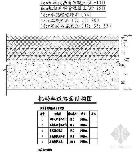
机动车道路面结构图

双向4车道 路面结构设计使用年限:10年 交通饱和年限:10年 路面:沥青

随机推荐

关晓彤穿白衬衣搭配黑色紧身裤现身机场肤白貌美,捂嘴偷笑好可爱

唐三

范冰冰最新活动照,一袭超长黑色斗篷搭驴蹄鞋霸气依旧,气场满分

棕色控别错过!今年秋冬换上这几款温柔茶色调,颜值立刻提升!

全身是戏盘点演艺圈塑料姐妹花你身边有这样的假闺蜜吗

洋洋七岁生曰

清风裹足dota2风行者身披至宝现已加入客户端

自制听诊器科学实验创意手工diy材料幼儿园科技发明科学实验