c5116a立式车床电气控制图 第1页 你可能喜欢 数控车床电气原理图

相关图片

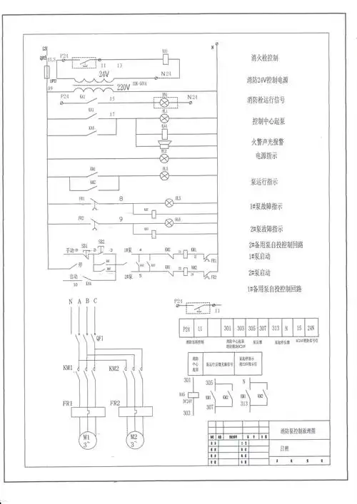
消防泵控制电气原理图

电动机y-△减压起动电气控制原理图翻译

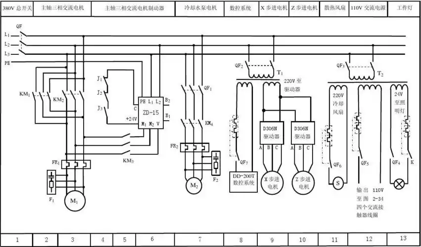
《数控车床》电气控制原理图,电气柜安装照片

《电气控制综合应用》中机床电气原理图

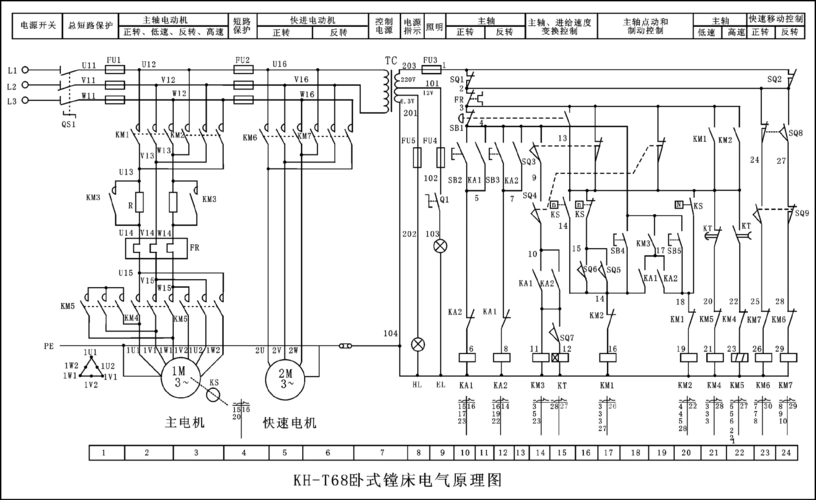
车床电气控制线路 三单元 课题二2ppt ca6140型卧式车床电气原理图 第

随机推荐

文字壁纸 人间安好 山河无恙 #壁纸超话##文字壁纸##手机壁纸##小清新

当小凯遇上小小凯系列##二十二载王俊凯,明月玉兔入怀来

iphonex壁纸

看看男演员们的腹肌一个比一个帅!

朱正廷帅气图片高清电脑桌面壁纸

红领粉衣老温94-龚俊 - 温客行4032 x 2268,18p横版壁纸

【微信头像】张碧晨

服部平次远山和叶