电动机常用原理接线图

相关图片

电动机常用原理接线图

220v电机怎么接线

电机连接!实物器件接线方法(希望对新手有帮助)

电机启动控制电气接线图 两相电机接线图-图片大观-奇异网

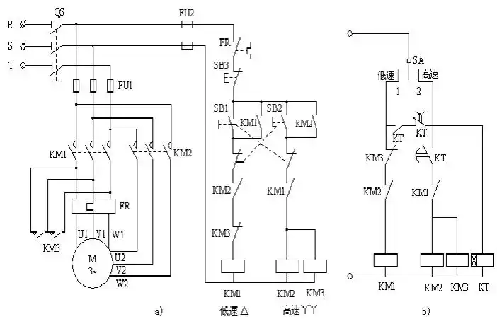
> 双速电机的接线方式第1页 相关主题 你可能喜欢 双速电机接线

随机推荐

吴昕回应被谢楠叫老公称是时候秀一下恩爱了姐妹感情超十余年

超萌头像女生可爱动漫头像呆萌

建筑物防雷与接地应用

听到的不止是音乐 森海塞尔携手品牌挚友王子异创造非凡之声

国庆节主题人物简笔画教程.教你简单画敬礼的小朋友,超级实用, - 抖音

小猴砸画了一张战哥家的平面图. 大家凑活看哈~[图片]

现场 i 2024法国羽毛球公开赛第一,二比赛日精彩图集

卡通打碟手掌音乐gif动图_动态图_表情包下载_soogif