求电路图-有问必答-电工基础知识 - powered by discuz!

相关图片

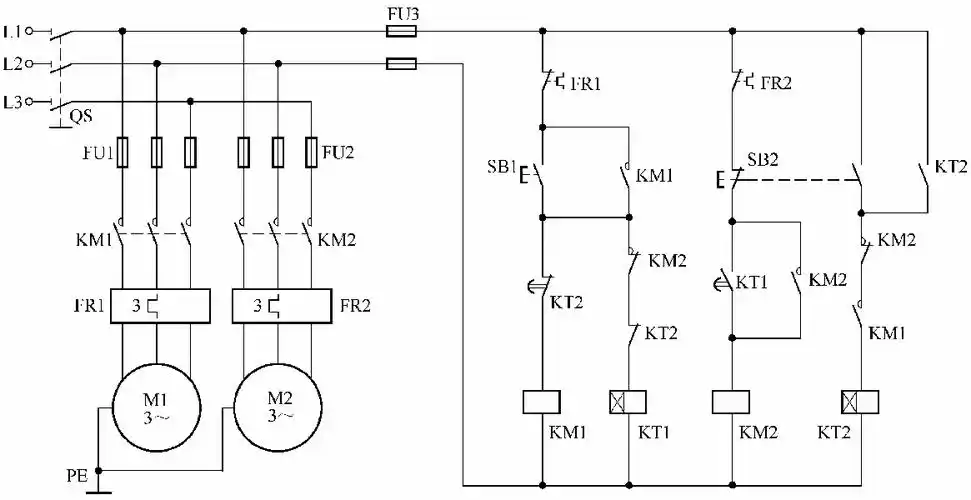
电工实操考核中,最重要的7张电路图(行家收藏)

电工培训八组《路漫漫其修远兮,吾将上下而求索》

电工常见电路图1

电工最常见电动机控制接线电路图

电工实训项目教程09-2三相异步电动机的正反转控制线路ppt

随机推荐

toggle navigation 请点选「订阅」后,再点击「允许」即可完成网页

电路符号的字母表示什么意思

《19天.漫动画》贱炸.贺顶红.感天动地同学情

骆达华女儿(骆达华19岁女儿撞脸林允儿)(5)

金色花瓣漂亮飞舞素材

jennie的直角肩藏着性感

外研版小学英语一年级起点二年级上module2_unit2_i_dont_like

有什么叫我画的发在评论区(前提要关注我)我的世界钻石剑mc不 - 抖音