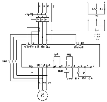
软启动器一控三工作原理讲解

相关图片

软启动器的工作原理及主要特点

高压固态软启动柜的工作原理

酒店工程之软启动工作原理以及常用的五种电机软启动器接线图

常用的五种电机软启动工作原理及接线图

软启动器工作原理

随机推荐

在那个无ps还美女如云的年代,来看看刘嘉玲年轻时候的样子吧

贾乃亮的三任前女友,每一为都是狠角色 - 360娱乐,你开心就好

谢贤谈到两个孙子时情绪崩溃,忍不住落泪:我和谢霆锋很想他们

广佛环线

盘点古装剧里戴面具的美男,这6位男星摘面具太帅气,一眼万年

《赏金猎人》北京发布会 预告片首度公开

佛心禅海报墨蓝水墨抽象水墨山水画新中式水墨抽象山水背景红色背景茶

q版英雄联盟头像~弄了一批英雄头像喜欢的去云图库取哦,个人非 - 抖