孕妇装写真照型-孕妇装推荐-孕妇发型图片大全图片(11p)

相关图片

谁是最美孕照的香港女艺人倪晨曦岑丽香都没她漂亮

谁是最美孕照的香港女艺人倪晨曦岑丽香都没她漂亮

街拍欧美怀孕女星潮搭 示范孕妇穿什么衣服好看

欧美明星最新孕妇装街拍秀简单却又时髦逼人

明星孕妇照:恭喜郑恺荣升奶爸!

随机推荐

陈情令泰国见面会##肖战#不愧是上过热搜的笑容92 | 肖战

2023最旺好运图片头像

"直男雕刻发型"

超阔耐哆啦a梦壁纸呀,哆啦a梦壁纸高清壁纸(可爱治愈卡通动漫壁纸图片

高质量动漫男头像

超哇塞的动漫女生头像_侵权

张哲瀚硬朗帅气写真图片

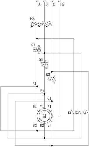
一种三相交流电机的启动电路