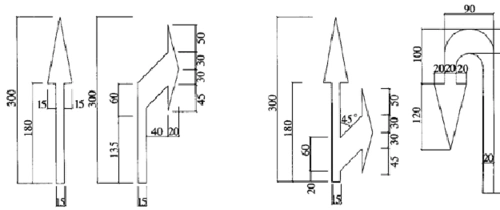
线25 计算行车速度≤40km/h的导向箭头尺寸单位:cm

相关图片

道路交通标线之导向箭头大样及面积cad图纸

国标交通标线导向箭头的标准尺寸

原创你知道国标交通标线导向箭头的标准尺寸吗?

国标交通标线导向箭头的标准尺寸

标线箭头大样图

随机推荐

允儿壁纸

执着的刘香,《思美人》中敢爱敢恨的楚国奇女子莫愁女,你就是张馨予

天天喜洋洋mp3免费下载

王祖蓝蓝色西装沉稳大气写真24

原创宇智波鼬须佐能乎的5种形态乌天狗非常帅气完全体只能幻想

演员梅婷我这辈子最正确的决定,就是40岁高龄为二婚丈夫生二胎_曾剑生

唯美精选沙滩风光小清新高清桌面壁纸高清大图预览1920x1080_风景壁纸

不用打理的波波头短发 不挑脸型和年龄换上不出错_发型站_最新流行