分享新建沥青路面结构图资料下载

相关图片

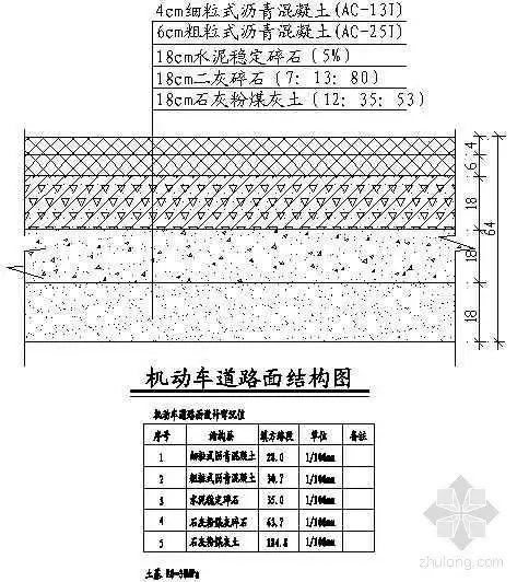
机动车道路面结构图

沥青道路结构

2021二建微知识|考点一天一个,轻松学(沥青路面结构组成与性能)

小区沥青道路设计做法

沥青路面结构组成

随机推荐

范冰冰最新代言照流出(范冰冰应该是娱乐圈最不挑代言的女明星了)7

货拉拉的收费标准主要由客户所在城市货物运输距离和选择的车型决定

动漫女生头像超梦幻太美了

教师的日常聊聊那些吐槽的事

exo和成员朋友见面必须通过允许

女性用品自慰机器仿真后庭高潮男女用全自动抽插伸缩欧美遥控炮机

姐妹们尖头浅口高跟鞋,2024年夏季新品!裸色设计,高跟细跟

希舒美 阿奇霉素片 0.25g*4片9163