双庆中学电路图复习专题答案ppt

相关图片

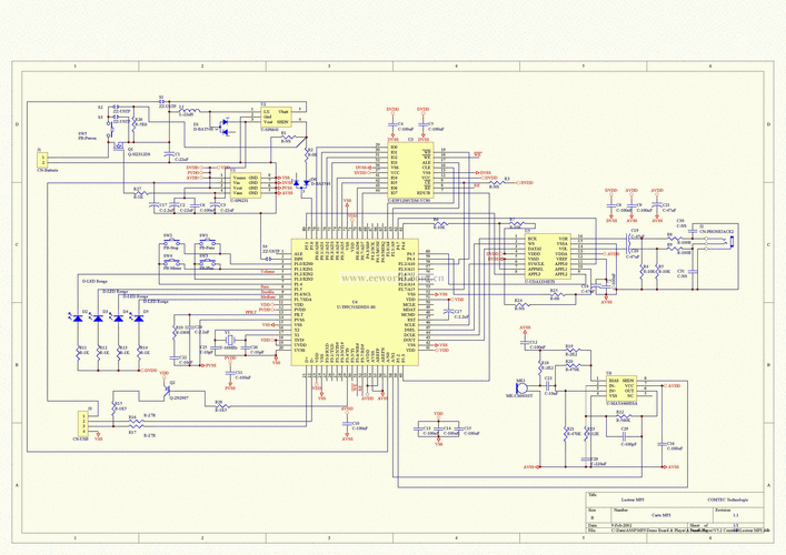
电路图mp3电路图

画出电路图

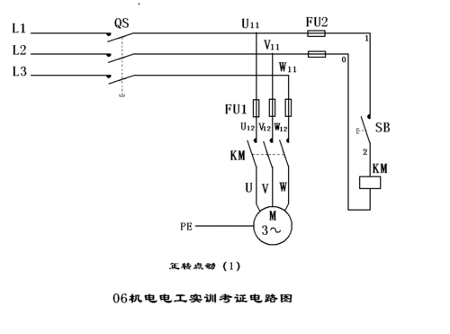
电工实训项目教程09-2三相异步电动机的正反转控制线路ppt

这个是手画的电路图 这个电路经常出现输出-100v 电源电压

电工,电气,电路图,电学.

随机推荐

八宝砚 暗八仙八卦纹八棱形砚台 八仙法器 文房四宝易水砚玉黛石

哪吒u-ii造型前卫 智能配置,自驾出行首选吗?_搜狐汽车_搜狐网

奶奶装模特破圈中老年服装行业不拼颜值拼销量

个性签名女生简单气质2019

wave"沙滩皇后"系列泳装手办赏 圆乳黑神《冰菓》给力

最初の美好回忆伤感意境小清新图片 -小清新-唯美图片大全

皮肤赘生物丝状疣一次性祛除

p.l栖心之栈〗 足艺阁踩踏网