英语花体字书写范例(26个字母的图片)

相关图片

英语字母书写范例(手写体)

英语字母手写体

26个英语字母手写体示范

26个英语字母手写体示范0

英语字母手写体

随机推荐

李沁央视春晚宋韵造型##李沁春晚宋韵古装大片

魏大勋帅气图片 魏大勋图片,明星,明星,写真,高清,帅气,魏大勋

粉色桃花唯美风景摄影图片手机壁纸

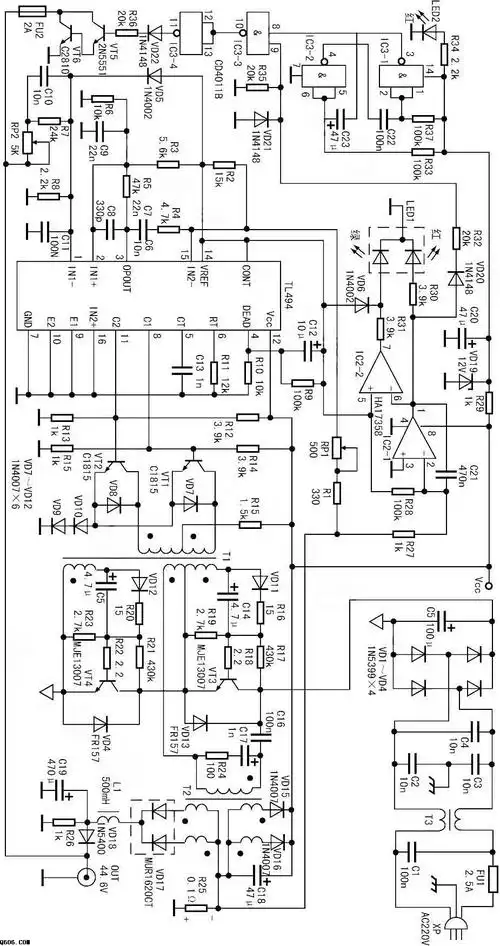
tl494制作的一款电动车充电器电路图

景甜##景甜司藤# 司藤 | 剧照 修图 cr@苍狗照落花

好看又帅气的真实帅哥头像生活照,希望你的日子里总有光

不知道出于什么原因,丰田对自家的v12发动机一直讳莫如深,公开的信息

53岁古天乐最新亮相脸部浮肿僵硬被疑整容网友不像杨过了