海尔(haier)尊享kd55/200-ac3空气能热水器一体机200升家用空气源电

相关图片

空调秒变热水器?只要1000块,教你如何用旧空调改造成空气能热水器!

空气能热水器x5e的日常维修保养

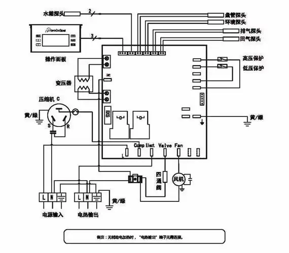
美的空气能热水器—震昊更专业!_接线图分享

phnix直热式空气能热水器空气能三联供中央空调

美的直热循环型空气能中央热水机组安装使用说明书续

随机推荐

中国内地70后男演员演技排名前十名,第一名多年戏红人不红_段奕宏

小仙女专属唯美好看头像,可爱出众的脸可以留住你的眼

家有儿女|演员|这么多年_网易订阅

纹理烫——男生发型图片及名称,各色型男要你好看.

央视美女主持人李梓萌风光背后有艰辛婚恋成父母的心病

无限滑板

运20服役整四年:以你的姓名标记全新航程!

锡纸前刺细软发质必备96男士烫发锡纸烫前.