萌萌哒秋田君电脑壁纸

相关图片

虎萌萌小老虎2022虎年电脑壁纸屏幕壁纸高清

小囧熊可爱卡通电脑桌面壁纸

韩国可爱胖乎乎卡通兔子高清桌面壁纸

up喵猫咪可爱卡通图片桌面壁纸

哈咪猫可爱卡通星座电脑桌面壁纸

随机推荐

陈情令肖战王一博背影大合集每一幅都是名场面我不淡定了

18年后再看刘烨和谢娜他们6年的爱情直到现在还是意难平

白英临床用途

mjblstx818低音炮舞台音响18寸低音炮ktv音响酒吧音响户外音响图片_3

穿搭灵感丨2021秋冬巴黎高级定制时装周场外街拍

睡衣守护者伊泽瑞尔

标准展位 - 2020年最新商品信息聚合专区 - 百度爱采购

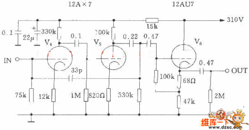
电子管麦景图mc275mcintosh275功率放大器电路图