apple苹果5w充电器 苹果手机原装充电头iphone6s/7/x/8plus原装充电器

相关图片

apple苹果原装充电器pd20w快充头手机充电头iphone12promax/11数据线

apple苹果充电器原装iphone15充电头15promaxplus141312118ipad20wpd

苹果/apple 原装充电器 充电头 usb-c 20w iphone8/x/11/12/13promax

apple苹果原装充电器iphone7/8/6s/plus/xr 苹果iphone11充电器数据线

苹果12快充头数据线原装充电器iphone11xxrxsmax快充20w18电池保护只

随机推荐

原创刘亦菲为何单身至今不是没人愿意娶照片告诉你真相

nba精选篮球明星壁纸(6/7)

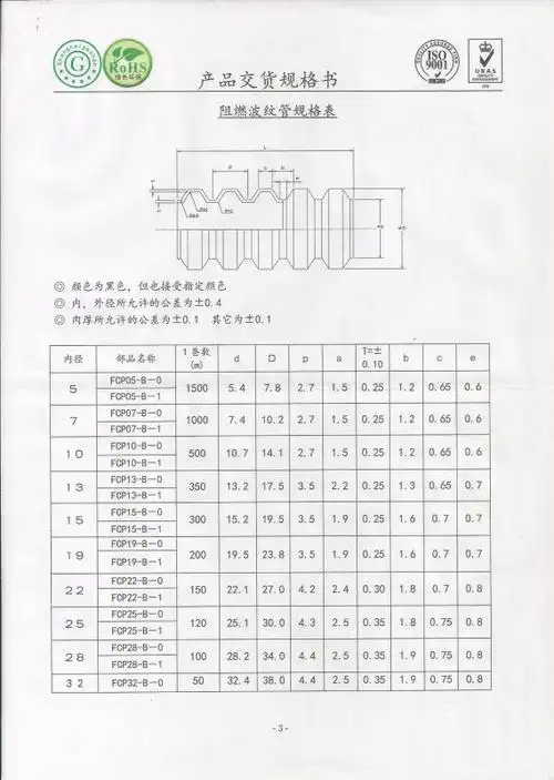
阻燃波纹管规格表

生日快乐happy birthday

况且,拼色背景墙对于师傅的刷漆技术要求高,如果工艺不到位,绝对会

赞美主耶稣,因他从天降下, 甘受逼迫并羞辱,钉死在十架.

成都美院女生自拍下体 前卫图片登上艺术展(图)

戌时的戌怎么读戌时是几点到几点具体含义是什么