幸运四叶草-中国国家地理壁纸

相关图片

蓝天下的唯美养眼四叶草

唯美的幸福的四叶草手机壁纸

四叶草的花语和象征意义(四叶草的花语和象征意义作文)

四叶草的寓意和象征风水 代表什么意思

四叶草的故事

随机推荐

肖战手绘小王子里面有王一博肖战王一博cp粉专场系列手绘插画画师

tfboys2015江苏卫视演唱会

男士发型图片及名称,2020最具人气男发前4名,短寸头(最有型男士发型15

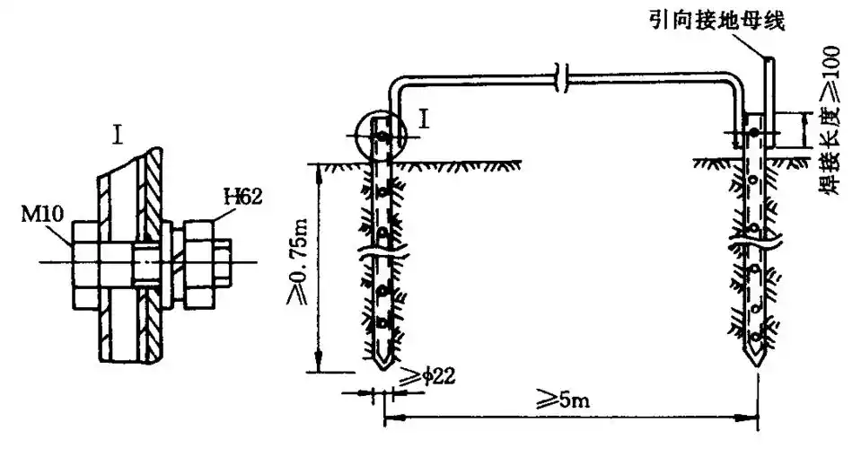
接地装置

九江风帆蓄电池

大学最受欢迎的女生身高表

画质提升二十期明日方舟安洁莉娜立绘含时装又是颇有难度的一期

清爽短寸头推荐 剪寸头的男士太酷了_时尚男发 - 美发站