易烊千玺—tfboys—背影都这么帅

相关图片

tfboys-王源《卷宗wallpaper》杂志四月刊封面预告释出,黑白背影照

易烊千玺拍意境黑白写真云雾缭绕间平添一丝忧郁与浪漫

王源冲突感大片#新杂志来啦@tfboys-王源最新杂志四月刊上线,短发

猜一猜这是哪位男神的背影?划一下范围是tfboys中的一位哦!

「tfboys」「新闻」200627 王俊凯背影成长系列,往前走不回头

随机推荐

与高圆圆分手后他12年不谈恋爱零绯闻47岁娶旺夫妻子后爆红

1w2022/09/26 10:09:28视频时长:47秒粉丝太热情#周杰伦#周杰伦演唱会

姐妹们瘦腰马甲线教程来了坚持练真的有效果.#最近的新鲜照片 - 抖音

这样的红底结婚照你可喜欢?满满的爱意,一键就可以生成

吉克隽逸一身紫色缎面礼服风情万种76

missa霏 王霏霏

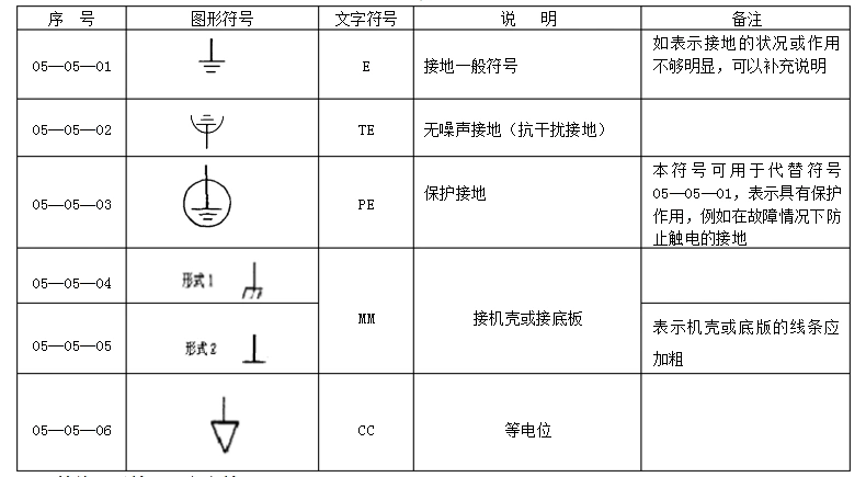
全部接地符号图

国标色卡 漆膜颜色标准样卡gsb05-1426-2001 油 - 抖音