理想one全车卡孚carv改色膜绸缎黑

相关图片

理想one改色葵花黄99

理想one改色高亮装甲绿99

幻夜出行 | 理想one改装案例推荐

理想one改色pet卡其绿案例分享

理想one改色穆杰罗兰

随机推荐

小男人遇上大女人

q版的军人简笔画

好消息上海轨交嘉闵线工可获批一张图看清沿线准地铁房

短碎飞机头发型图片,飞机头男生发型

【喜报】——热烈祝贺刘子琪同学在山东省乒乓球锦标赛中斩获佳绩

黑色美洲虎午餐

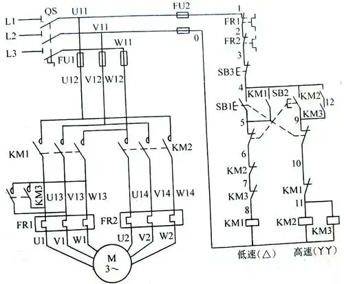
都在这了三相异步电动机常用控制电路图集咱得这么学

从热量带上来看,我国从南至北从热带,亚热带,暖温带,中温带一直过渡到