pe管焊接参数

相关图片

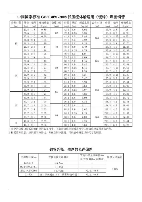
焊接钢管规格表[1]

电熔焊机管件焊接参数表

pe管焊接参数

对焊机手摇pe管热熔焊接机对接机熔接器63160200250手摇ppr管250压盖

厂家直供 wp315a半自动液压pe对焊机 pe管热熔机管道

随机推荐

闫妮|51岁的闫妮新剧素颜出镜,颜值垮塌,网友:这才是我心目中的老妈

萌萌哒小可爱长发比手势比心不露脸女生头像

李宇春身着黑色礼服长裙 短发造型更帅气!

10,笔画"点"示范字"立"规范书写

范丞丞头上顶个大爱心,注意他身上藏着的小可爱,网友:很皮了!

2015壳牌巡展西安站

点燃战斗激情 《穿越火线:重返战场》经典怪物盘点_新闻频道_第一手游

安徽省省会:合肥,后起之秀,新一线城市,中国霸都,中国科教之都