请问筏板基础配筋的上下几排这个要怎么布置呢望截图文字回复谢谢

相关图片

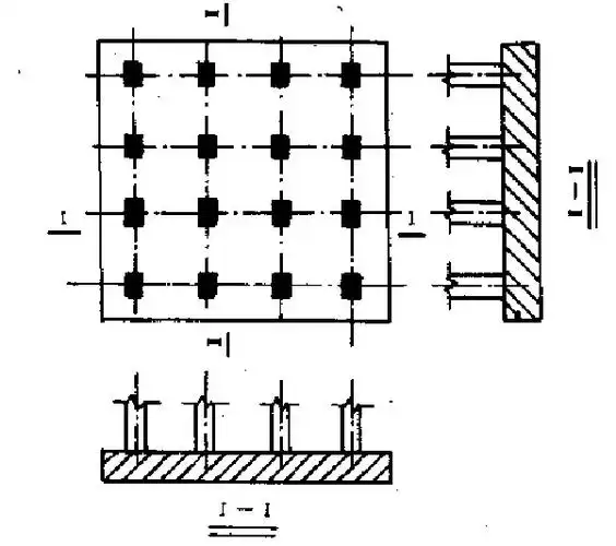
某工程筏板基础节点构造详图

筏板基础,基坑

平板式筏板基础有梁吗 平板式筏板基础厚度

筏板基础,基坑

什么是平板式基础?

随机推荐

精选原创日系动漫美女高清宽屏桌面壁纸

蔡徐坤

外国小姐姐赤裸身体并节食来抗议肥胖歧视称喜欢微发福男

宝宝卡通罩衣婴儿围裙春秋儿童反穿衣小孩幼儿园秋冬吃饭画画衣服

新品超短裙无安全裤女走光无内衬性感直入伞裙免脱露出迷你齐屁小白色

奶咖色基调的墙面,勾勒线框造型,搭配不同尺寸的简框画,打造出质感

创造与魔法求张蓝莲位置刷新图

影视壁纸他在逆光中告白壁纸