空压机原理图

相关图片

优耐特斯压缩机高压电气原理图

空压机电路图

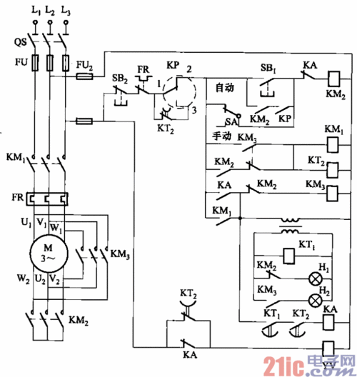
y-△启动的空气压缩机控制电路

实训用到简单空调电路.ppt

md380空压机双变频图纸

随机推荐

霸气高冷男生头像

2023儿童身高体重最新标准表 正常范围:-1sd—中位数— 1sd 偏矮:-2sd

富士山春日浪漫樱花摄影

美术字

脱发,剃个光头需要多大勇气?

吴宗宪加盟蒙面唱将神秘男团成员将与猜评团互动

资料图片电视剧金粉世家剧照18金凤举

庐山☆人间仙境