tfboys分享210621王俊凯百看不厌古装造型盘点脸蛋身型气质都好适合

相关图片

王俊凯古装照合集来袭清冷矜贵的翩翩公子

王俊凯红色古装

王俊凯##tfboys王俊凯# 诛仙青云志――少年林惊羽

王俊凯古装照合集来袭清冷矜贵的翩翩公子

tfboys分享210621王俊凯百看不厌古装造型盘点脸蛋身型气质都好适合

随机推荐

男女全身痣相图解测命运

娱见专访杨千嬅不抗拒白发因为有它的意义

初学者怎么画动漫人物画动漫人物基础入门步骤

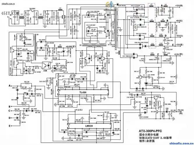
atx-300p4电源电路图.jpg

盘点5位年轻时帅出天际的明星图1成谐星图5是经典

图片 讽刺

楷书字帖

爆笑gif原来这么漂亮的女生也有不为人知的一面