exologo

相关图片

运用c4d中的毛发功能制作的exologo

exologo

areexoexo是什么歌weexo专辑logo变迁史为sm策划部献上膝盖

2017年exo回归新logo

exo logo

随机推荐

抓只仙女做头像之李沁篇

《爱的阶梯》精彩片段速看,路风去接新娘,竟遭到岳父阻挠

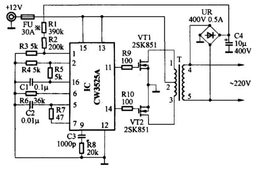
12v升48v升压器电路图

范冰冰性格豪爽,乐观开朗,被戏称为"范爷".

南孚nanfu聚能环电池5号碱性干电池1视频

苹果iphone15可能会放弃sim卡插槽

气泵空压机小型高压空气压缩机木工喷漆220v打气泵23960l1350wx260l40

快手岛市老八表情包