保护 i>地 /i>球( i>接 /i> i>地 /i>)符号符号,矢量图解,白色背景

相关图片

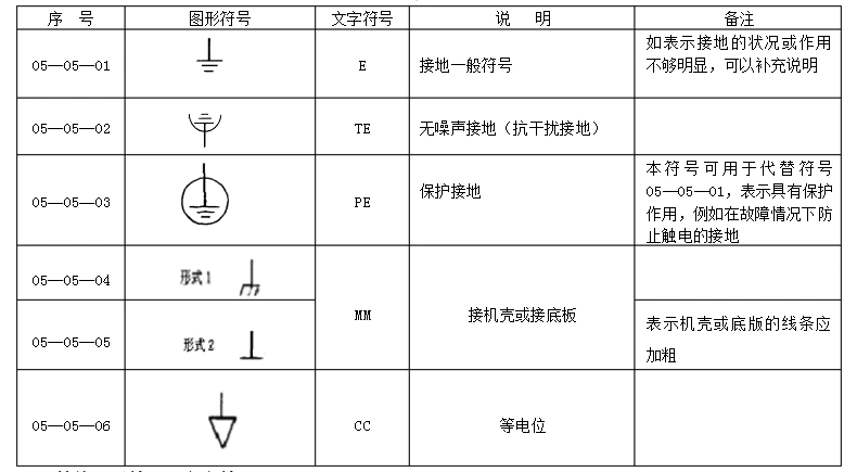
展开全部 地线一般用"e"表示,接地的符号是下面个图形

接地的符号

地线符号

地线端头应压在哪里

标志指示接地火线提示安全电路机械设备abcnlwu地线标志牌

随机推荐

黎明2023年香港红馆演唱会《一生幸福》

污污污表情包合集(史上最全版)

队形到创意思维的提升,给于实力对手的实力碾压 abc战队的团队元素

升级款奔腾电饭锅beves奔腾压力锅电压力锅电饭煲煮饭金古铜6升标配

至今未婚的10位大龄女星,各有各的苦衷,最大57岁,最小43岁

刘宇宁说英雄谁是英雄##刘宇宁白愁飞##刘宇宁前途无量二百块

兰字书法图片

40岁歌手张淇走红:原来摇滚圈也有这么多帅哥?