哈哈农夫:贾乃亮曝小时候趣事,原来你是这样的贾乃亮

相关图片

贾乃亮带甜馨回老家过暑假,甜馨陪爷爷逛集市,爷孙三代罕见同框

贾乃亮小时候还真的看不出来以后有变为帅哥的潜质啊

贾乃亮晒父女情,投喂女儿温馨有爱,甜馨在爸爸面前开心当女汉子_美食

贾乃亮小时候还真的看不出来以后有变为帅哥的潜质啊哈哈哈哈.

贾乃亮分享自己童年时期的照片,看着他小时候家里条件挺殷实的呀,难怪

随机推荐

食戟之灵电脑壁纸 动漫壁纸1080p,萌娘资源站

组图郭富城炎夏穿秋装代言与母亲提前过中秋

成龙领奥斯卡终身成就奖

600_800竖版 竖屏gif 动态图 动图

真人闺蜜头像一左一右仙气高颜值56张_闺蜜姐妹女生头像_头像屋

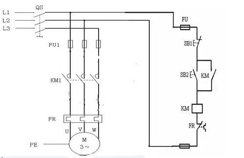
电力拖动保护的接触器自锁正转控制线路接线图

全自动打包机pp带纸箱捆扎机捆包机

杨幂小时候唱小红帽