求电瓶车4块电瓶的链接图?怎么连的

相关图片

我有4个12v的电瓶,现在要接成24v输出,该怎样接法?

刚买了个电动车,四块电瓶,不会充电啊,那些线要怎么接啊

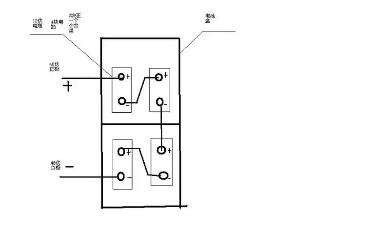
我的是电动车电瓶,四个小电瓶,俩个装一个盒子里,中间用一根线连接

四块电瓶接24v一块太阳能板能带动吗

怎么连能让它变成24v20a的输出能做到吗?求电路图.

随机推荐

8月13日,周杰伦高调在社交平台晒出和昆凌的合照,并配文,祝这位三十

柏记水饺顾乡店

据说杨颖是个老烟枪,不过现在好像戒掉了!

辣妈30岁孙怡,魔鬼身材饱满有料,魅惑眼神好勾人!

一个人旅行一群人狂欢

插画人物线稿过程步骤手绘头像系列齐刘海

刘星的爸爸胡一统居然当校长了!

钢琴名曲100首---舒伯特 鳟鱼五重奏 d667 op114 (100 )