林允童年艺术照曝光超深酒窝十分抢镜图

相关图片

杨幂不愧是童星出身,小时候就星味十足!

明星童年照:高圆圆从小就是美人胚子,杨紫太可爱,孙俪好甜

记得小时候,林允总是给人一种瘦弱又高挑的印象,有点像营养不良的小鹿

林允,早期练舞的美照,清秀的脸庞,清澈的眼镜,苗条的身材,优美的舞姿

林允双马尾造型随拍🈶️ 针织背心好俏皮

随机推荐

网评古装剧天选神女top10杨超越惊艳白鹿第六虞书欣第五

「绘画过程」q版大头客单展示 |刘耀文

紫色系壁纸想和你一起逃往快乐星球

黄家驹全部歌曲(黄家驹全部歌曲大全)

十二星座遇到鬼的表现 十二星座遇到鬼会有什么反应

王宝强军装大炮生气dugif动图_动态图_表情包下载_soogif

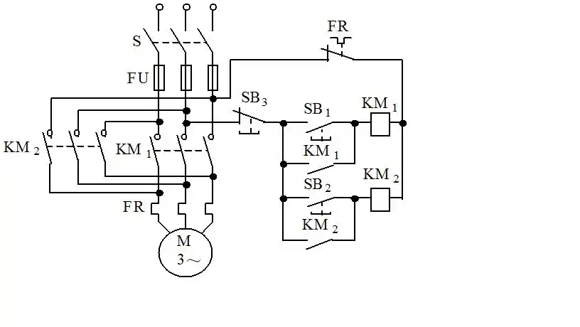
如图所示为一三相电机正反转系统的电力回路与控制线路的原理图.

娱乐圈中的几大悲情婚姻