赖冠霖出道

相关图片

赖冠霖篮球boy徐光兮

现实中的流川枫?篮球服 发带的赖冠霖就是球场上的焦点

赖冠霖《势界powercircles》预告 活力满满的卷毛小赖即将上线

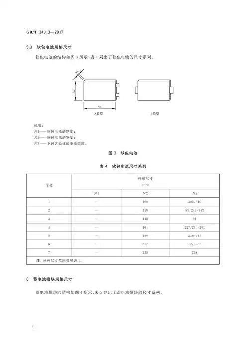
现实中的流川枫?篮球服 发带的赖冠霖就是球场上的焦点

赖冠霖看起来很好骗的亚子啊哈哈哈

随机推荐

早秋愁搭配32岁倪妮气质轻熟机场街拍教科书式穿搭学起来

欧美美丽复古宁静小镇高清电脑桌面壁纸复古度假胜地唯美风景

印象最深的有一集,是汤姆穿着西装弹钢琴.

凡人修仙传人物篇12银月

迪丽热巴的一组美照,来袭西域的美女,颜值爆表,美若天仙,简直了

桌面壁纸4k专题是时候该给你的电脑换换壁纸啦

插画个人项目练习-----《霸王别姬》海报 霸王别姬电影海报设计.

网红女歌手亚男简介