简笔画——《救护车》#创作灵感 救护车简笔画步骤图,跟着一起 - 抖音

相关图片

简笔画教程分享 救护车

绘画 #画个简笔画 #简笔画 #儿童简笔画 #救护车 #儿童 #绘画

儿童简笔画160救护车

儿童简笔画救护车

简笔画教程 #简笔画 #汽车简笔画 #救护车简笔画 #儿童画 #儿童

随机推荐

刘亦菲##刘亦菲玫瑰的故事##刘亦菲资生堂全球代言人

angelababy脸颊比心

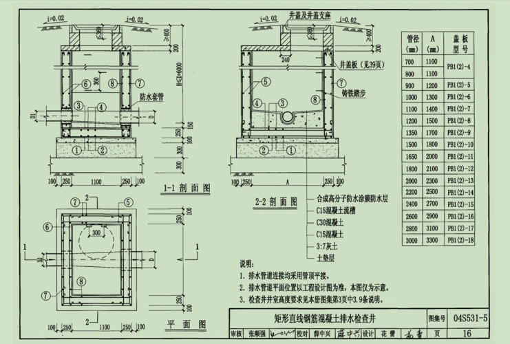
谁用过04s5315图集红色框框中每米井筒的量是哪部分

韩国大双眼皮男明星:天然大双眼皮只服这6位男星(13)

采槟榔(湖南民歌)_采槟榔(湖南民歌)简谱_采槟榔(湖南民歌)吉他谱

来自蜜蜂少女队-赵婉婷 - 微博

蓝色莲花壁纸莲花图片手机壁纸亮蓝莲花吉他佛教 荷花头像佛教 - 抖音

73最美那时樱花雨73 - 堆糖,美图壁纸兴趣社区