三相交流异步电动机控制电路的识图与安装

相关图片

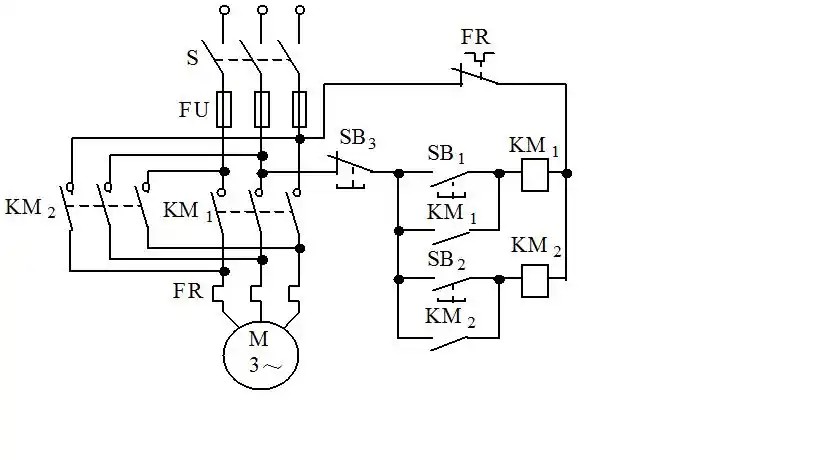
如图所示为一三相电机正反转系统的电力回路与控制线路的原理图.

关于三相交流电一些问题

三速电动机电气控制原理图

三相电动机控制电路实现顺序控制电路图解 下图(a)所示为三相电动机

三相异步电动机正反转控制电路

随机推荐

特价短发假发圆脸蓬松修脸_假发女短发橙色黄头发自然少女网红lolita

舒淇饰演的三届花国总统完颜英

头发飘逸的年轻女子肖像

蒲字笔顺相关词语及拼音其它字典出处:[ 古文字诂林 ]:01册,第12部,艸

陈瑶百变迷人高清桌面壁纸

【徵羽摩柯(小野)】梦想至上【《巨兵长城传》op】【vocaloid cover】

【无限滑板】驰河兰加 | 天然呆小美人谁不爱呢_哔哩哔哩 (゜-゜)つロ

歌唱家王传越孙媛媛新作誓词发布献礼七一