2,在实际电力系统中,大部分负载为异步电动机其等效电路可看作电阻和

相关图片

对于单相桥式整流电路,其

单相桥式整流电路

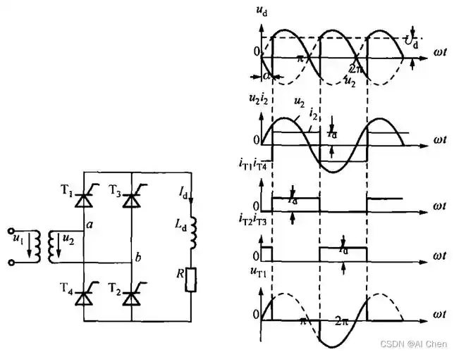
3 单相桥式整流电路 t d4 u2 d2 d3 d1 u2正半周时 电流通路 u1 rl

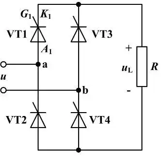
如图所示的单相半控桥整流电路,有一纯电阻负载,需要可调的直流电源

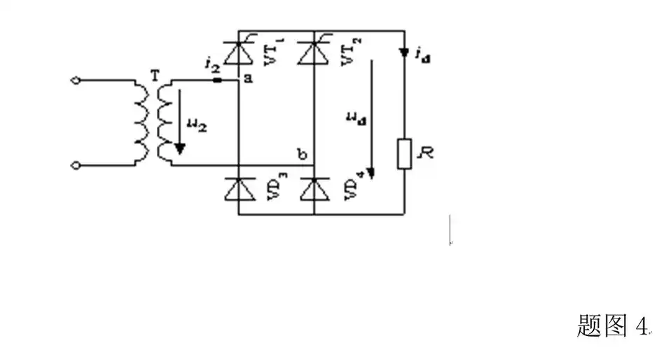
关于单相桥式全控整流电路,电阻性负载,以下描述正确的是?

随机推荐

正版周杰伦2004无与伦比演唱会七里香mv2cd1vcd海报

任国超 今天很happy啊,自拍加nba的(谁能解题)

愿喜壁纸背景图王俊凯王源易烊千玺tfboys图源来自别处禁二转

女生头像背影长发唯美海边

家庭生日宴,简单的家常菜里藏不住的欢声笑语,是我们平凡的幸福

皮肤病的诊断和鉴别诊断也是很复杂的一个病在治疗了

这让整个户型有了超大的空间开阔感,同时拥有极佳的景观面,能看到山景

篮球运动员