谁知道这电路图怎么接正负极.

相关图片

电容电路中作用_电路中电容 - 思创斯聊编程

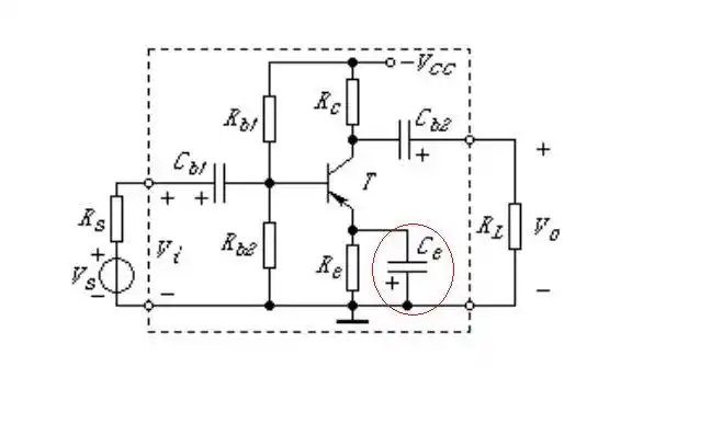
三极管放大电路电容(下图3个电容)正负极该怎么接?请高手详细说明

开关s断开时,电流从电源正极经r1,r2流入电源负极,稳定后,与电容器

电解电容符号的正负极判断

电容器知识|电解电容器的功能及作用

随机推荐

陈伟霆港风陈伟霆新款港风超短发亮相时装电影盛典

热血高校人物盘点 杉原诚 - 视频下载 video downloader

广东地图

【天然鹅卵石园林绿化造景石头鹅卵石庭院铺路铺地小石子】-英德市

古风二次元剑客插画图片壁纸

简约大气黑金海报背景素材

男生心形刘海发型 塑造帅气型男范_发型站_最新流行发型设计发型图片

【品城记】实锤了!姚大秋公费泡维维!