rs485 电路图----普通收发

相关图片

普通电脑控制型洗衣机的电路原理与检测

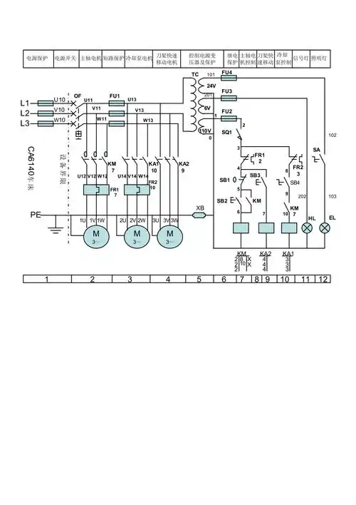
ca6140普通车床电路图

普通的单相双电容启动的电动机正反转电路

是低成本实用逆变器电路图,主要由mos场效应管,普通电源变压器构成

常见电动机控制电路图

随机推荐

exo灿烈 朴灿烈背影 loey chanyeol

大航海时代4威力加强hd版李华梅篇剧情流程赚钱方法策略势力发展规划

又丑又搞笑的头像 丑男黑色

手比耶姿势手势耶元素手部动作png素材

宋妃珠宝代言人刘涛: 坚韧,执着,温润,和善

一眼就很喜欢的男头像帅气时尚男生个性微信头像图片

甜歌天后任妙音晒最新美照,一身红白配青春活力十足!_手机搜狐网

王劲松 #图集 #演员 - 抖音