美的电饭煲wfs409 mb-fs4018d电路板 电脑板 电源板 显示板一套

相关图片

我对老式电饭煲原理及内部实物接线图的一些理解以后敢拆电饭煲了

美的电饭煲电路板ebfch48a7还找到类似电路图了

美的mg-td35 td45 td55 td65多功能自动电饭锅电路图

适用美的电饭煲电源板配件mb-xfs40j主板mb-fs40hd线路板xfs405电路板

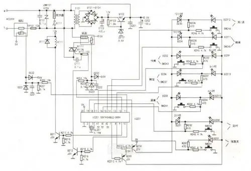
美的mb-tc50a电脑式电饭煲控制电路图

随机推荐

王源客厅狂欢巡演##美年达代言人王源

黑白男人

动漫里喜欢卖"萌"的黄毛女

精彩5月不只有戛纳电影节,还有中博家居生活广场盛大开业

亚洲人,男人,微笑,头像,英俊,年轻_高清图片_全景视觉

孤单女生伤感意境背影图片大全分享!

周末时洛阳中国国花园花开惊艳满园牡丹飘香美丽的亮点很难忘

戳中很多人泪点的"童年回忆",我叫胡图图,我会动耳神功