男生头像颓废伤感头像图片

相关图片

男人伤心的句子一段说出男人心声的话

叼着烟的男生头像高清伤感侧脸男生抽着烟的头像图片

侧脸阴影帅气意境男生头像图片 侧面影子伤感男生头像合集_男生头像

男生头像孤独伤感淋雨 - 搜狗图片搜索

颓废伤感男生头像心软是病要我命

随机推荐

男生头像潮流帅气动漫单纯可爱男孩图片头像

拆弹专家2首周末票房破4亿曝爆炸特辑拆核弹撞地铁炸大桥

王琳凯粉色鬓角洒脱写真图片36

近日台湾省的著名演员张钧甯在接受相关媒体采访时,就她在first当评委

进击的巨人:三四季人物对比,艾伦,三笠,萨沙变化很大!

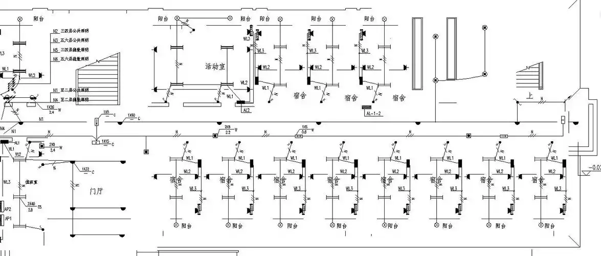
[方案]某高校六层宿舍楼电气图

成为周雷忠的粉丝21粉丝数作品百科后援会全部0特色推

【今日分享】小猪佩奇简笔画(打印出来放在美工区)点赞拿图