门(汉语汉字)

相关图片

门什么意思解释门字笔画笔顺门拼音组词

部编版语文一年级(下)全册生字笔顺动画演示!孩子期末复习生字看这里

门女长片风丹字怎么写的笔画笔顺

史上最全汉字书写笔顺规则

张的笔顺怎么写(张的笔顺怎么写的笔顺)

随机推荐

刚出道时候的萧亚轩容颜很清纯靓丽,气质很阳光洋气.

王俊凯最新造型帅气又儒雅的小凯

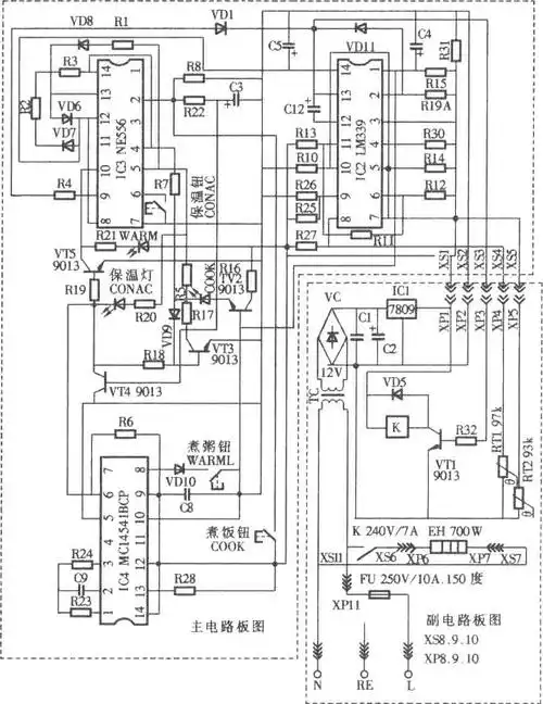
美的牌cfxb4032型电饭煲电路图

evisu全球代言人王一博

景甜壁纸图片

年轻漂亮的女性说嘘的手势在蓝色的背景

继《步步惊心》后,最后一部经典清穿小说也开拍了,男主出乎意料?

盘点90年代香港女明星,告诉你什么叫风华绝代_时尚_梁小冰_钟楚红