情侣竖屏壁纸

相关图片

520最火情侣壁纸找到了

情侣壁纸动态壁纸_高清竖屏视频下载-火萤壁纸

情侣竖屏壁纸

情侣竖屏壁纸

情侣竖屏壁纸

随机推荐

短发烫个卷也非常的好看上镜,显得复古还有港风洋气的气息,刘海选择卷

情感语录伤感手写文字图片我要个性网

现代悦纳2020款cvt炫酷版这款车怎么样平时代步小问题多吗最近在了解

好看简单小纹身合集

第五人格 入殓师 卡尔

原创歌手陈红退出歌坛嫁李军46岁离婚痛苦万分如今53岁近况如何

二保焊机otc送丝机的六条线哪条是负极,如何用量电压法检查线路是否

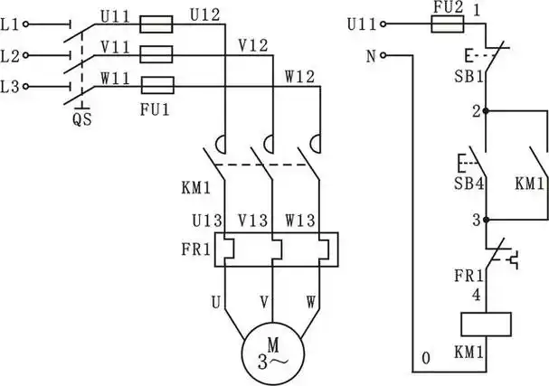
接触器控制380v电机如何接线?经典启保停电路是最优解