酒吧的门头设计简单,黑色底板上led灯组成的"酒瘾"二字遒劲有力,极具"

相关图片

西安区 >> 美食标签: 酒吧休闲娱乐美食 yessir夜色精酿酒吧共多少人

湘潭市岳塘区莫卡斯酒吧

酒吧门头

佳鑫小酒馆

boss因为酒吧

随机推荐

老照片(5417): 演员黄渤与妻子小欧 - 抖音

帅气周杰伦电脑壁纸_天王巨星周杰伦

叶罗丽画画涂色本儿童手绘简笔画女孩公主diy涂鸦填色本绘画套装

天生命苦的女人面相,婚姻坎坷,家庭难圆满!

如果不仔细看,很难辨认出这些蔡依林的旧照是她本人!

金达克宁 酮康唑乳膏 15g/支价格_使用说明_参数_平安好医生

简笔画教程

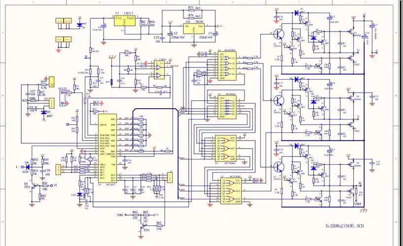
采用pic16f72单片机控制直流无刷电机的电路原理图