请教各位老师筏板基础的问题谢谢啦

相关图片

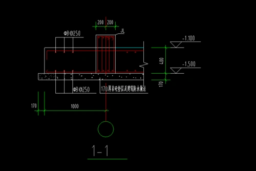
有梁式筏板基础,基础梁的标高在什么位置?

筏板基础知识详细解析

某住宅小区筏板基础设计节点构造详图

筏板基础知识详细解析

5分钟弄清平板式和梁板式筏板基础!

随机推荐

最近高热度的男艺人排名吴磊35刘宇宁22任嘉伦12酷盖登顶

生日宴

网红情侣头像一男一女高清图片唯美超甜情侣最火微信图片大全

萌宠猫咪头像可爱

潮流渐变宇宙星空星球卡通扁平风png素材卡通宇宙星空元素卡通宇宙

【】音画:西游记—女儿情

黄维德女友是谁 黄维德个人资料简历和演过的电视剧(3)

丰田杯’全国中等职业学校汽车运用与维修技能大赛冠军合影