污水泵控制电气原理图

相关图片

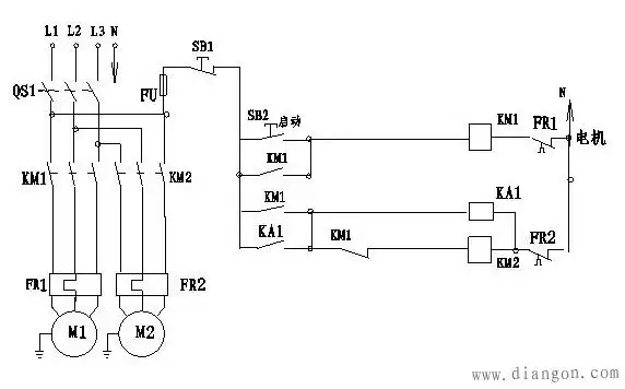
排污潜水泵的控制电路图!具体要求如下!

电气安装图集(1od3o3一3)p176一178排污泵系统图

排污泵一用一备电路原理图

排污泵控制柜原理图

本实用新型的目的是提供一种线路简单,元器件少的排污泵水泵智能恐破

随机推荐

亲爱的热爱的李现杨紫高清手机壁纸

肖战嫉妒王一博九亿姐减肥结婚张继科诈骗痞幼李湘王岳伦

卖萌新姿势?关晓彤回眸比耶美出新高 全黑装扮潮甜笑似邻家少女

12星座最强属性,土豪排行,郁闷是因为什么?谁最拖延

变异蜘蛛爬到男主手上狠狠咬一口,顿时获得超能力,成为超级英雄

漂亮的三角窗花纸

骂人难听的话_话难听_骂人越难听越好

臣轩新品丝绸性感睡衣女***情趣吊带裙春秋夏季冰丝睡裙薄款睡袍 - 17