我的小女孩11岁啦! 一岁一礼,一寸欢喜. 愿 - 抖音

相关图片

我的小女孩11岁啦!一岁一礼,一寸欢喜. - 抖音

我的小女孩11岁! 一岁一礼,一寸欢喜. 愿你 - 抖音

我的小女孩11岁! 一岁一礼,一寸欢喜. 愿你 - 抖音

我的小女孩11岁啦! 一岁一礼,一寸欢喜. 愿 - 抖音

夏克立11岁女儿近照曝光皮肤黑混血感弱网友还是小时候好看

随机推荐

迪丽热巴早期非精修组图

胡歌 李逍遥 仙剑一

女星脚太丑:杨紫琼宋茜畸形,王子文满是伤疤,金星为脚骄傲

易烊千玺的腹肌简直了,这个男孩儿才16岁,撩你是认真的啊!

吉他谱 第1页

一声叹息"就这样吧!"手写文字新浪微博:菲漠然

国外欧美风格时尚酒吧ktv平面设计素材图库psd广告海报版式模板图

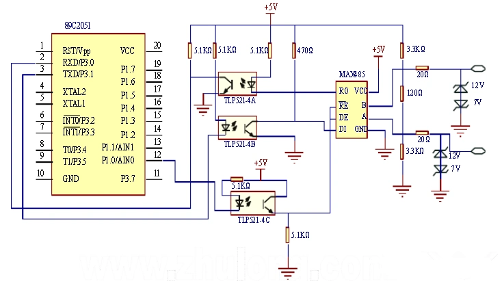
室内智能照明控制系统电路设计-其他控制电路图-电子产品世界