山特3c3ex20k的ups上面标称电压为正负192 v电池怎么接

相关图片

ups_a32电池箱内电池连接示意图_2组独立

山特ups不间断电源1kva 8小时 mt1000s-pro8小时100ah蓄电池6只

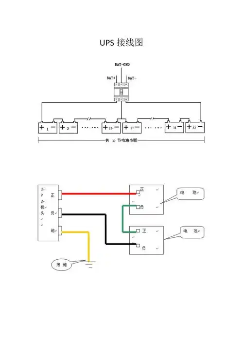
ups接线图

ups接线图

*将电池线在电池柜空开端接好,另一端在ups的" ","-&

随机推荐

1991年30岁的刘德华拍了10部电影出了3张唱片

荣耀x40 gt 手绘海报#pop海报 #手绘pop海报 # - 抖音

肖战最新照片,战战和牛仔衣适配度好高,太帅了

我认为能抵抗丁程鑫笑容的人现在还没有出生 #丁程鑫 二十二岁

欢夫 苗药达肤康抑菌乳膏15g/支大腿内侧瘙痒红肿疼痛成人皮肤外用

小丑

p>崔子格(queena),6月25日出生于新疆乌鲁木齐,中国内地流行女歌手

寒食东风御柳斜,轻烟散入五侯家 历师/寒食