一路向北

相关图片

【电钢琴】周杰伦《一路向北》

千里单骑 一路向北

一路向北

周杰伦《一路向北》

歌曲一路向北歌曲一路向北的歌词

随机推荐

王菲"幻乐一场"演唱会

清新简约文字文艺手机壁纸

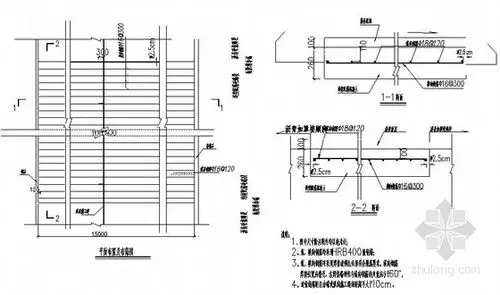
连续配筋混凝土路面设计图

tfboys追星手帐王源

高级氛围落日背景图求财者风生水起求爱者郁郁寡欢

内娱荷尔蒙爆棚男神排名邓为20肖战第9张艺兴第7吴磊第4

真菌性皮肤病2021完整版课件.ppt

有种"整容"叫于明加结婚,老公胡俊变化不大,她却像变了一个人