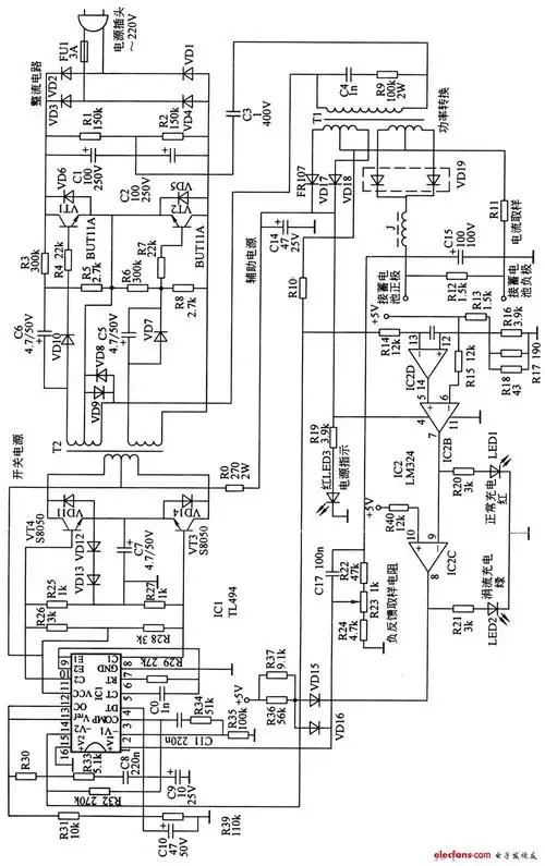
36v电动车充电器电路图

相关图片

电动车充电器电路图

电动自行车充电器电路原理图60v60v电动自行车充电器电路图

60v充电器电路图

本文给出了电动自行车佳腾充电器电路图,本电路图仅供参考.

收集电动车充电器电路图30张,以备不时之需

随机推荐

王牌对王牌关晓彤华晨宇同框意外暴露真实腿型不愧是腿精

肖战 王一博 - 堆糖,美图壁纸兴趣社区

王珞丹清新优雅海边写真高清图片58

药健百瑞狼毒脚气王 60ml装喷剂-阿里巴巴

刘雨昕安慰范丞丞,让他靠在肩膀上,太暖心啦!

王霏霏美甲大合集女明星美甲怎么这么好看

安全感自己给,一家三口,四口,五口头像手绘

fila时尚运动代言人高圆圆##white special##fila摩登周末