方形电饼铛总开关灯亮,上盘灯不亮,上下盘不加热,维修起来简单

相关图片

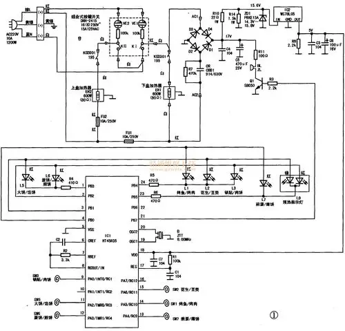
电饼铛电路图

利仁2018a电饼挡电路分析与故障检修

电饼铛电路图

利仁电器开创电饼铛"微压食代"(图)

家里新买的电饼铛四根线都怎么接 其中三根在在一起包着有一根在外边

随机推荐

王一博壁纸超话#王一博#q版啵啵第五弹来了(图源见水印 侵删)拿图吱声

唯美古风二次元美女壁纸,我正在努力变成自己喜欢的那个自己

31岁古力娜扎魅力四射,一颦一笑太倾城!

你喜欢宫崎骏的动漫作品吗?

baby直播小海绵正面曝光,引粉丝热议:和黄晓明一模一样

w两个世界##李钟硕# 壁纸(cr:eewancherry)

fila 斐乐 跑步鞋老爹鞋男子跑步鞋marsⅡ火星二代情侣款复古运动鞋

日本街道灯光夜景图片,高清图片