哲学/历史 俄罗斯历史ppt 俄语的亲属语言关系图 印欧语系 斯拉夫语族

相关图片

斯拉夫语族

斯拉夫语族

斯拉夫语族内部词汇对比月份

斯拉夫系与波罗的海美丽中东欧服饰

当斯拉夫语族的所有语言出现在一个视频里.

随机推荐

九种大虾的神仙做法,油焖大虾,蒜蓉 - 抖音

张艺兴2024世界巡演西安站##张艺兴2024世界巡演##张艺兴[超话]

青少年两边推掉的短发型 帅气又自信的男孩短发图

九阳(joyoung)电煎锅不粘锅多功能家用同款商用单面电饼铛 30-48cm

西太后viviennewestwood珍珠项链有多香

第一章 人物篇(雨果,元曲四大家,岳飞,张爱玲等)

国画工笔人物线描写生长发少女侧身像73

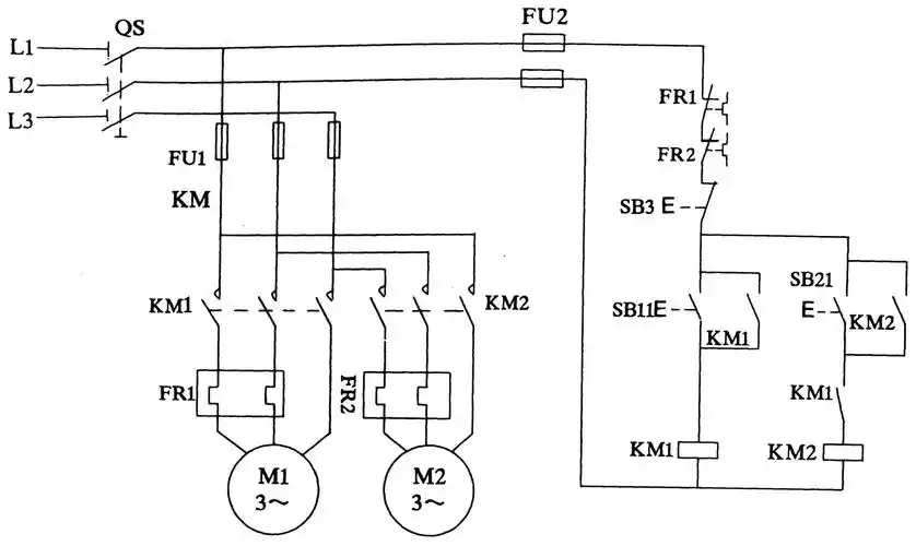
控制电路联锁控制线路实验